sunbet申愽官网
欢迎访问sunbet申愽官网官方网站!
微信
设为首页
加入收藏
网站首页
sunbet申愽官网
集团简介
集团领导
组织架构
发展历程
下属子公司
新闻中心
公司要闻
党建新闻
通知公告
中央八项规定
行业动态
子公司动态
用水知识
企业文化
文化理念
员工风采
学习园地
党群工作
项目建设
项目建设
重点项目
智慧水务
安全生产
营商环境
服务承诺
客服咨询
水价标准
营商环境
用户服务
报装入口
报装指南
联系我们
开票信息
联系我们
电子地图
乘车路线
人才招聘
新闻中心
公司要闻
党建新闻
通知公告
通知公告
水质公示
中央八项规定
行业动态
子公司动态
用水知识
联系方式
人才招聘
联系我们
电子地图
乘车路线
您所在的位置:
网站首页
>
新闻中心
>
水质公示
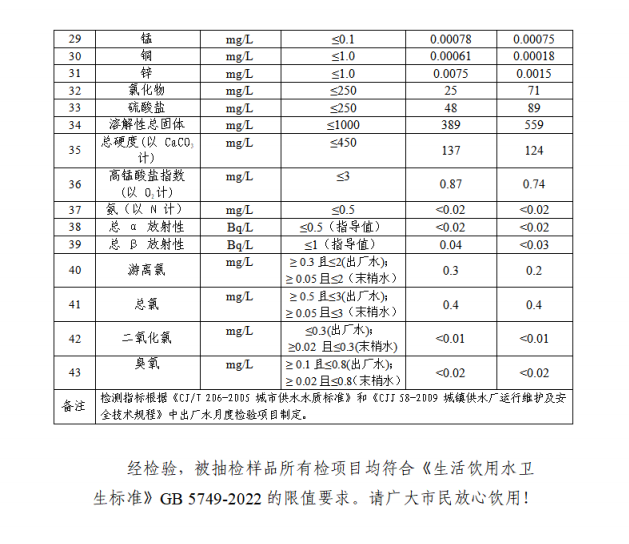
sunbet申愽官网水质信息公示报告(2024年7月)
发布时间:2024-08-09 16:20:16
发布人:
点击次数:9896
0